| 內容說明:NSR-RC伺服馬達研究 | 瀏覽人數: 1376 |
上一張 |
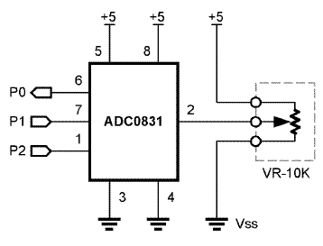
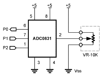
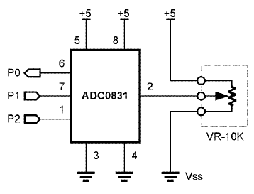
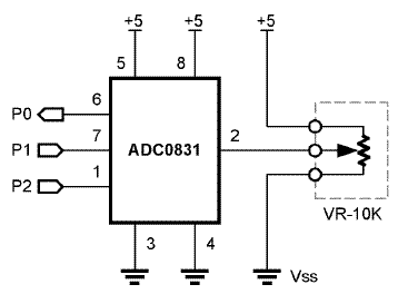
【第17張】 |
下一張 |
|
縮圖專用網址: http://mail.3wa.tw/photo/small.php?w_size=450&compassion=60&file_name=users/shadow/20160309_015644_0.GIF 複製 檢視 放大細緻輸出網址: http://mail.3wa.tw/photo/small.php?w_size=1024&compassion=90&file_name=users/shadow/20160309_015644_0.GIF 複製 檢視 |





